MANUALE – SIMATIC Siemens S7-1200 Getting Started con l’S7-1200 – Primi passi col PLC...
Il presente Getting Started è una breve introduzione al mondo dell'S7-1200 e al TIA Portal, con esercizi iniziali per entrare nel mondo S7-1200.
Nell'ambito dell'impegno...
TUTORIAL Tia Portal – Comunicazione Controller Device
TUTORIAL Tia Portal - Comunicazione Controller Device
Implementazione della comunicazione tra un Dispositivo Controller e un Intelligent Device
Software necessari:
Tia Portal V16
Download: https://support.industry.siemens.com
trial operativa 21...
F.A.Q. Come Risolvere l’errore all’apertura dell’HELP in TIA Portal V19 e V20, quando non...
Quando non si apre il TIA Help Viewer nel Browser, Come Risolvere l'errore 0028:000031 all'apertura dell'HELP in TIA Portal V19 e V20?
A partire dalla...
DOWNLOAD – Tia Portal V17 STEP 7 V17 upd4 e S7-PLCSIM V17 upd1
Di seguito i link per gli ultimi aggiornamenti Tia Portal V17 STEP 7 V17 upd4, S7-PLCSIM V17 upd1
05/2022: TIA Portal V17 Update 4 /...
PLCBASE01 – Collegamento e configurazione iniziale di un PLC S7-1200 reale, tre scenari possibili.
In questo tutorial, vediamo diversi scenari per configurare un PLC reale in Tia Portal, leggere l'interfaccia di rete e inserire e configurare un PLC...
TUTORIAL – Siemens TIA Selection Tool starter guide per la Selezione degli Apparati di...
Siemens TIA Selection Tool: Ottimizza la Selezione degli Apparati per l'Automazione Industriale
Nel mondo dell'automazione industriale, la scelta dei componenti giusti è fondamentale per garantire...
DigitalTwin sistema di trasporto a scaffali con F-TM ServoDrive, NX-MCD e HMI Unified PC...
Digital Twin - virtual commissioning di un sistema di trasporto a scaffali con F-TM ServoDrive-SIMATIC ET200SP CPU 1512SPF-1PN simulato con S7-PLCSIM Advanced, NX-MCD e...
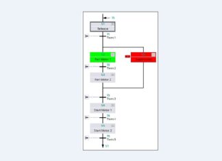
F.A.Q. – Programmare in GRAPH di TIA Portal – Istruzione Supervision -(v)- per monitorare...
Monitoraggio di due o più passi connessi in serie
L’esempio seguente mostra il monitoraggio temporale dei passi S2 e S3 tramite la diramazione simultanea con...
ESERCIZIO – Get Started programmazione in CEM matrice causa effetto in TIA Portal V17...
ESERCIZIO - Esempio di programmazione in linguaggio CEM matrice causa effetto in TIA Portal V17 e TIA Portal V18
Ho preparato un programma base di...
TIA Selection Tool: Ottimizza la Selezione degli Apparati per l’Automazione Industriale
Siemens TIA Selection Tool: Ottimizza la Selezione degli Apparati per l'Automazione Industriale
Nel mondo dell'automazione industriale, la scelta dei componenti giusti è fondamentale per garantire...













