Come realizzare un simulatore segnali analogici didattico con pochi euro e test in Tia Portal V20 con PLC s7-1200
🚀 NUOVO TUTORIAL GRATUITO ONLINE!
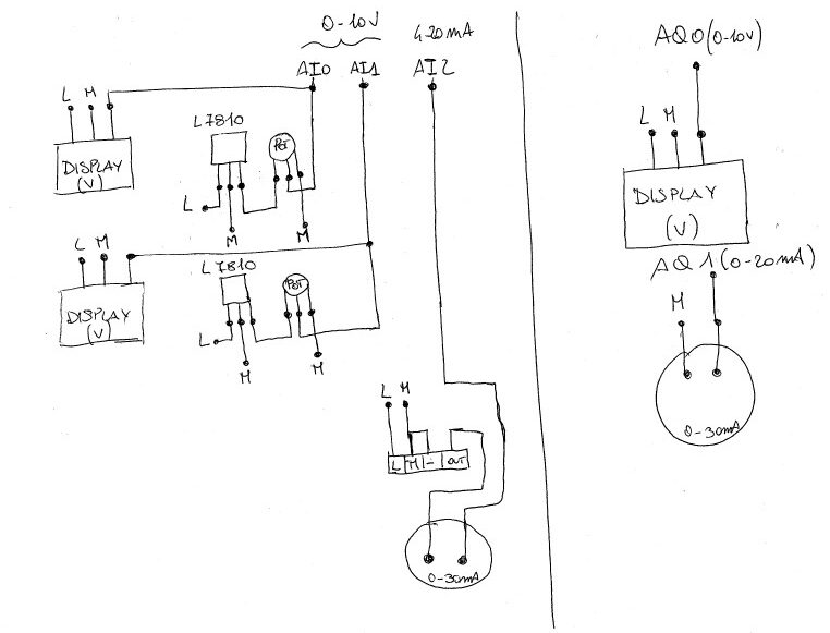
🎓 Come realizzare un simulatore di segnali analogici didattico con pochi euro 💶 e testarlo in TIA Portal V20 con un PLC Siemens S7-1200 🧠🔧

In questo episodio ti mostro passo dopo passo come:
✅ Costruire un semplice simulatore analogico fai-da-te 🛠️
✅ Collegarlo correttamente al PLC 📈
✅ Configurare e testare il tutto in TIA Portal V20 🖥️
✅ Stampare in 3D il box dedicato con file STL pronti 🧰🧵
🇬🇧✅ Audio available in both Italian and English – enable it in the video settings, You can wait for the English audio to be processed and enable automatic translation. ✅
🔗 Ulteriori tutorial e risorse su:
📺 Iscriviti al canale per i prossimi video
👉 https://bit.ly/2HVkIRe
📺 Abbonati al canale per i video in esclusiva
👉 https://bit.ly/joinDMchannel
🔗 More tutorials and resources at:
📺 Subscribe to the channel for future videos
👉 https://bit.ly/2HVkIRe
📺 Subscribe to the channel for exclusive videos
👉 https://bit.ly/joinDMchannel

📌 Ecco l’elenco del materiale utilizzato:
🔗🛍️ Link per acquistare il materiale necessario
👉 Milli Amperometro 0-30 mA
https://it.aliexpress.com/item/1005004407537515.html
👉 Display Voltmetro DC0-30V
https://it.aliexpress.com/item/1005005460950877.html
👉 L7810
https://it.aliexpress.com/item/32508380833.html
👉 Sim Ingresso analogico 4.20 mA
https://it.aliexpress.com/item/1005009077232185.html
👉 Potenziometro rotativo
https://it.aliexpress.com/item/1005009456181957.html
👉 Condensatori 0,33 µF e 0,1 µF
https://it.aliexpress.com/item/1005003584800244.html
👉 Mini interruttori pannello
https://it.aliexpress.com/item/1005007798133277.html
👉 Morsettiera
https://it.aliexpress.com/item/1005005622405188.html
🧾 Link per scaricare gratuitamente i file STL della stampa 3D
👉 https://www.thingiverse.com/thing:7165210




Software necessari:
Download Tia Portal dalla V15 alla V20 tutti i link qui:
👉🏻👉🏻👉🏻 https://www.domenicomadeo.com/?p=7860
trial operativa 21 giorni.
Ricordo che per essere abilitati al download del software è necessaria una registrazione al sito di supporto Siemens (qui) ed una successiva autorizzazione da parte di Siemens, che può richiedere anche diversi giorni.








